
Phoenix Contact Przekaźnik bezpieczeństwa 24V AC/DC PSR-SCP- 24UC/ESL4/3X1/1X2/B (2981059)
ocena produktu 0/5 gwiazdki
Oceń jako pierwszy
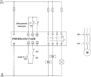
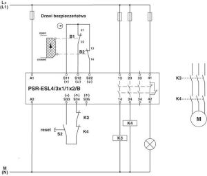
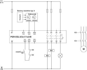
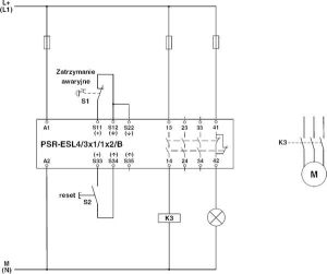
Przekaźnik bezpieczeństwa do nadzoru zatrzymania awaryjnego, drzwi bezpieczeństwa i bariery świetlnej do SIL 3 lub kat. 4, PL e według EN ISO 13849, praca jedno- lub dwukanałowa, 3 tory zwolnienia blokady, wejściowe napięcie znamionowe 24 V AC/DC, wtykowe zaciski śrubowe
Zalety
Przepraszamy, czat na żywo w tej chwili jest już nieczynny. Jeśli masz jakieś pytanie lub problem, napisz do nas wiadomość lub odwiedź nasze centrum pomocy.
Czat na żywo jest do Twojej dyspozycji codziennie w godzinach:
poniedziałek-piątek: 9:00-17:00